6373-P4-8000

埋壁式水箱


簡約大方的設計風格及簡潔的線條節省衛浴空間。


顏色: 白色

  • 00

分享

下載

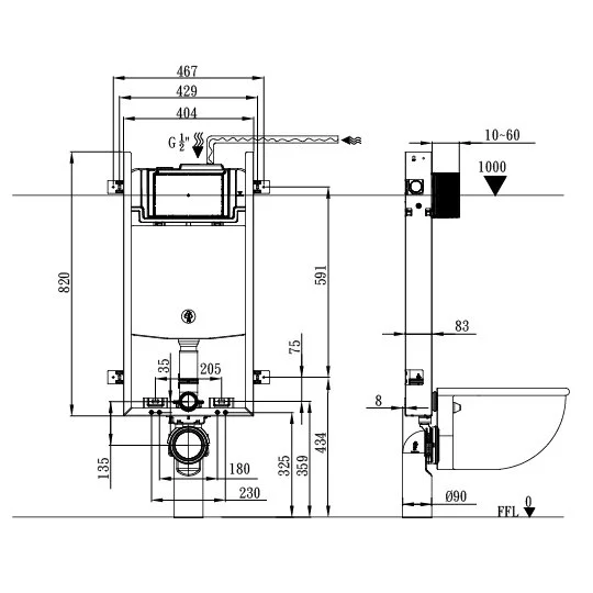
6373-P4-8000 Specification_mm

6373-P4-8000 Installation

6373-P4-8000 Exploded View


1. 容量: 3L-6L/ 3L-4.5L


請求授權碼